内部邮箱 | 人才招聘 | 阿里巴巴 | 中国证监会  
 
 
首  页 关于我们 产品展示 市场服务 公司动态 投资者关系 留言板
 
首  页 关于我们 产品展示 市场服务 公司动态 投资者关系 留言板
    · 公司简介    · 经营架构     · 历史沿革    · 主要荣誉      
 
首  页 关于我们 产品展示 市场服务 公司动态 投资者关系 留言板
    · 产品介绍     · 产品获奖     · 产品知识     · 质量管理     · 产品研发  
 
首  页 关于我们 产品展示 市场服务 公司动态 投资者关系 留言板
    · 服务热线     · 本公司产品验证  
 
首  页 关于我们 产品展示 市场服务 公司动态 投资者关系 留言板
    · 公司动态     · 行业资讯  
 
首  页 关于我们 产品展示 市场服务 公司动态 投资者关系 留言板
    · 公司基本情况     · 定期报告    · 临时公告      
 
首  页 关于我们 产品展示 市场服务 公司动态 投资者关系 留言板
 
 
  开关管事业部产品
  发射管事业部产品
  电器事业部产品

四极管  

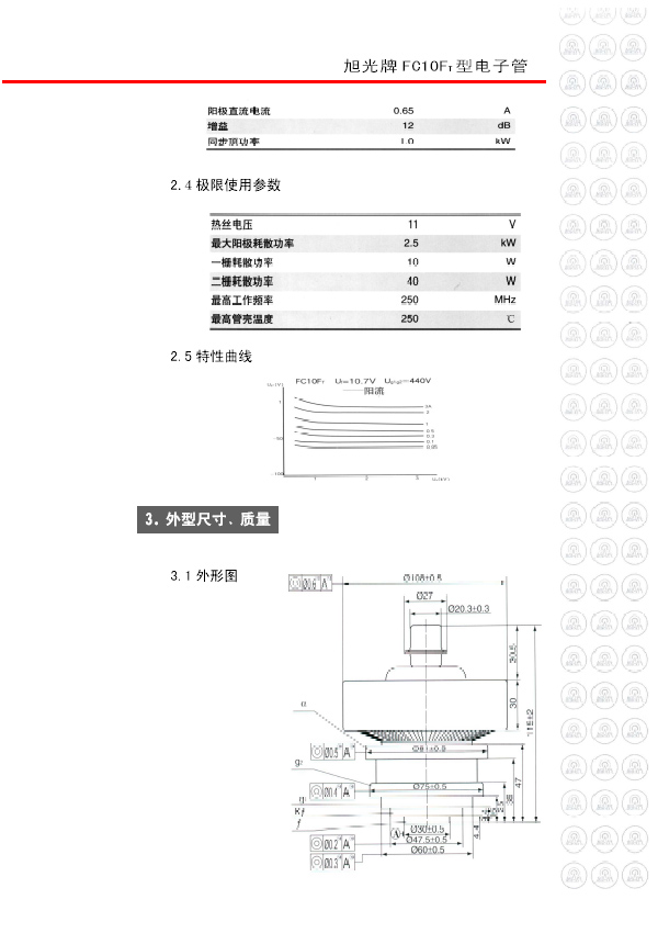
名称:FC10FT







返回 | 下一页
 
 

通讯地址:中国.四川.成都市新都区新工大道318号       传真:(028)83967248
事业部市场部电话:发射管(028)-83967153 ;开关管(028)-83967157;电器成套设备(028)-83958386
版权所有 Copyright© 1997-2010 成都旭光电子股份有限公司 蜀ICP备10202548  川公网安备 51011402000043号